Так сложилось, что у меня сосед по загородному участку владеет небольшой фирмой застройщиком объектов специального назначения, работает в основном по государственным подрядам. И когда я созрел к постройке небольшого дома на участке взамен морально и физически устаревшей «избушки» он вызвался мне помочь проверенной бригадой из «своих» и со всем остальным — смета, приобретение материалов, инженерный контроль и сопровождение всего строительства и тому подобное. С одним «но» — с меня был собственно проект дома.
Я рассматривал вариант купить готовый проект в одном из многочисленных архитектурных бюро. Заказывать индивидуальный — дороговато по сравнению с моим домиком эконом класса, а совсем уж типовой проект как то не очень и хотелось.
По итогам изысканий я нашел отличный сайт www.2d-3d.ru с огромной базой полноценных проектов выполненных в AutoCAD в стандартном редактируемом формате dwg. Оставалось скачать и отредактировать чертежи.
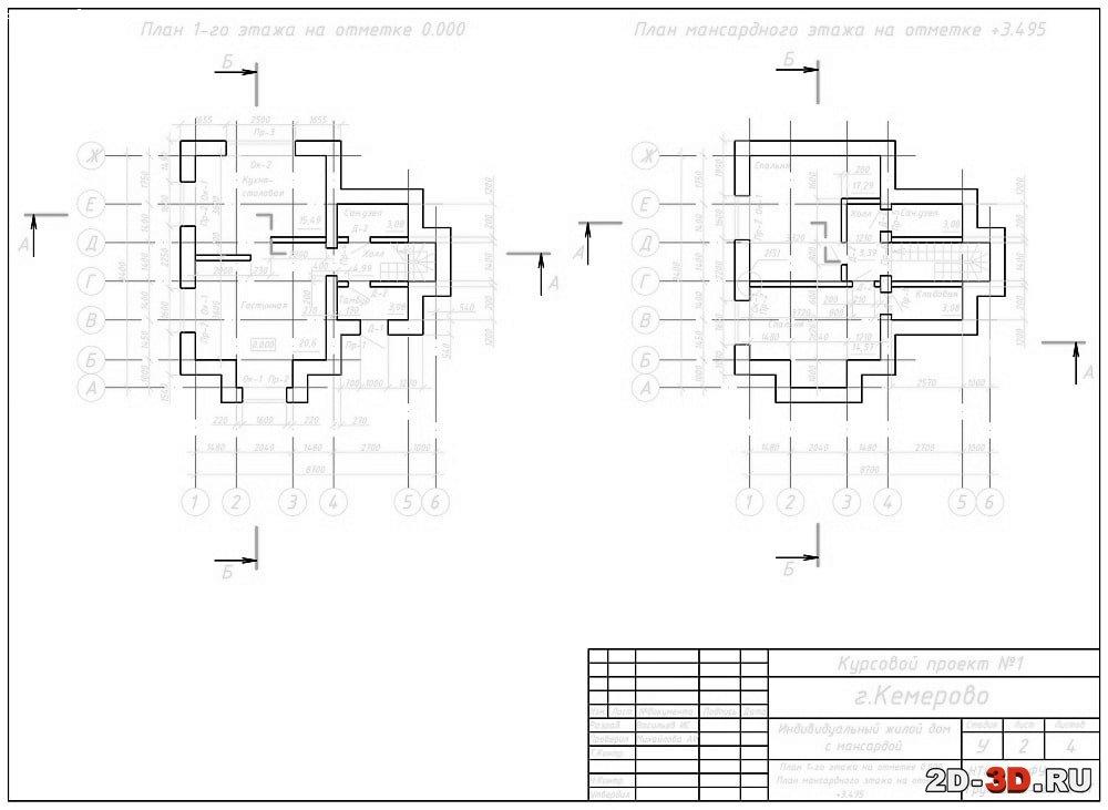
Я выбрал проект индивидуального жилого дом с мансардой 90 кв. м с несущими стенами из шлакоблоков, без каркасный.
Сюда сразу входили и схема раскладки плит фундамента, и схема раскладки плит перекрытия, план 1-го этажа на отметке 0,000, план мансардного этажа на отметке +3.495, все необходимые разрезы и фасады.
Чертежи потребовали небольшого редактирования и были готовы к практическому использованию. Теперь дело за строителями. Подробнее о 2D-3D.ru...
Я рассматривал вариант купить готовый проект в одном из многочисленных архитектурных бюро. Заказывать индивидуальный — дороговато по сравнению с моим домиком эконом класса, а совсем уж типовой проект как то не очень и хотелось.
По итогам изысканий я нашел отличный сайт www.2d-3d.ru с огромной базой полноценных проектов выполненных в AutoCAD в стандартном редактируемом формате dwg. Оставалось скачать и отредактировать чертежи.
Я выбрал проект индивидуального жилого дом с мансардой 90 кв. м с несущими стенами из шлакоблоков, без каркасный.
Сюда сразу входили и схема раскладки плит фундамента, и схема раскладки плит перекрытия, план 1-го этажа на отметке 0,000, план мансардного этажа на отметке +3.495, все необходимые разрезы и фасады.
Чертежи потребовали небольшого редактирования и были готовы к практическому использованию. Теперь дело за строителями. Подробнее о 2D-3D.ru...
Проголосуйте, если вы считаете отзыв полезным.
поделитесь ссылкой
Поделитесь ссылкой на ваш отзыв в соцсетях!
Тогда Ваш отзыв попадет в еженедельную рассылку более 130 000 наших подписчиков. О нем узнают все!
сообщить о нарушении
официального ответа на отзыв нет
c этим отзывом читают
2D-3D.ru Москва Положительный отзыв
просмотров 784
28-02-2026
просмотров 784
28-02-2026Чертежи нашли нормальные в этом ресурсе, все просто замечательно. Всегда огромнейший выбор, там система такая, если что-то приобретешь, то затем можете пользоваться полной базой чертежей. А там огромное количество. Возможно запрос...
2D-3D.ru Москва Положительный отзыв
просмотров 363
30-04-2019
просмотров 363
30-04-2019Я студентка второго курса заочного факультета. Моя специальность «Промышленно – гражданское строительство». После сотрудничества с сайтом 2D-3D.ru оставлю небольшой отзыв об интернет-проекте, на мой взгляд, заслуживающим внимание ...
2D-3D.ru Москва Положительный отзыв
просмотров 263
13-08-2022
просмотров 263
13-08-2022Здравствуйте! Хотел бы порекомендовать данный сервис. Я учусь в строительном ВУЗе, очень часто приходится смотреть на чертежи профессионалов, чтобы поднять свой уровень и в будущем стать хорошим специалистом. Решил оплатить вип ст...
2D-3D.ru Москва Положительный отзыв
просмотров 253
08-04-2022
просмотров 253
08-04-2022Хочется оставить отзыв о работе специалистов, заказывала тут чертежи к дипломной работе, очень сомневалась, но теперь не жалею, могу рекомендовать. Очень профессионально и в полном объеме сделали, все в срок, что особенно важно, т...
2D-3D.ru Москва Положительный отзыв
просмотров 246
03-03-2022
просмотров 246
03-03-2022Хороший сайт, услугами которого мне приходится пользоваться достаточно часто, так как здесь огромная база моделей и чертежей на все случаи жизни. Единственное для получения возможности скачивания необходимо оформить ВИП-доступ, чт...
2D-3D.ru Москва Положительный отзыв
просмотров 232
31-05-2022
просмотров 232
31-05-2022Сайт мне определенно нравится, так как имеет много различных плюсов. Во-первых, здесь очень достойный выбор чертежей с описаниями, а также имеются различные уроки и книги по проектированию. Во-вторых, стоимость подписки вполне раз...


комментариев: 0
голосов: 0
Популярность:



